Technische Daten

  • Baugröße: | 480 |
  • Zylindrisches Getriebegehäuse
  • Hohlwellengetriebe
  • Übersetzung 89
  • Lost Motion ≤ 1arcmin
  • Max. Beschleunigungsmoment 1100 Nm

Leistungsdaten

Leistungsdaten

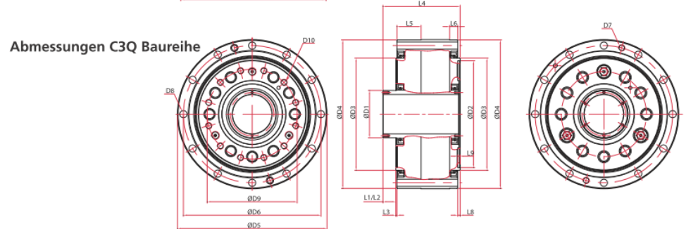
Abmessungen

Abmessungen

Downloads