Technische Daten

  • Baugröße: | 075 | 090 | 110 | 140 | 170 |(entspricht Kantenlänge des Getriebes)
  • Einteiliges Stahl oder Graugussgehäuse mit allseitig identischen Gewindebohrungen
  • Übersetzungsbereich: 1
  • Max. Verdrehspiel (Standard) ≤ 13 bis ≤ 10 arcmin
  • Max. Verdrehspiel (reduziert) ≤ 8 bis ≤ 6 arcmin
  • Max. Beschleunigungsmoment von 120 Nm bis 1575 Nm
  • Abtriebsseite:
    - Ein- oder beidseitig zylindr. Abtriebswelle mit Passfeder
    - Hohlwelle mit Passfedernut
  • Antriebsseitige Optionen:
    - Zylindr. Antriebswelle mit Passfeder
    - Verstärkte Abtriebslager gegenüber Baureihe BT

Leistungsdaten

Leistungsdaten

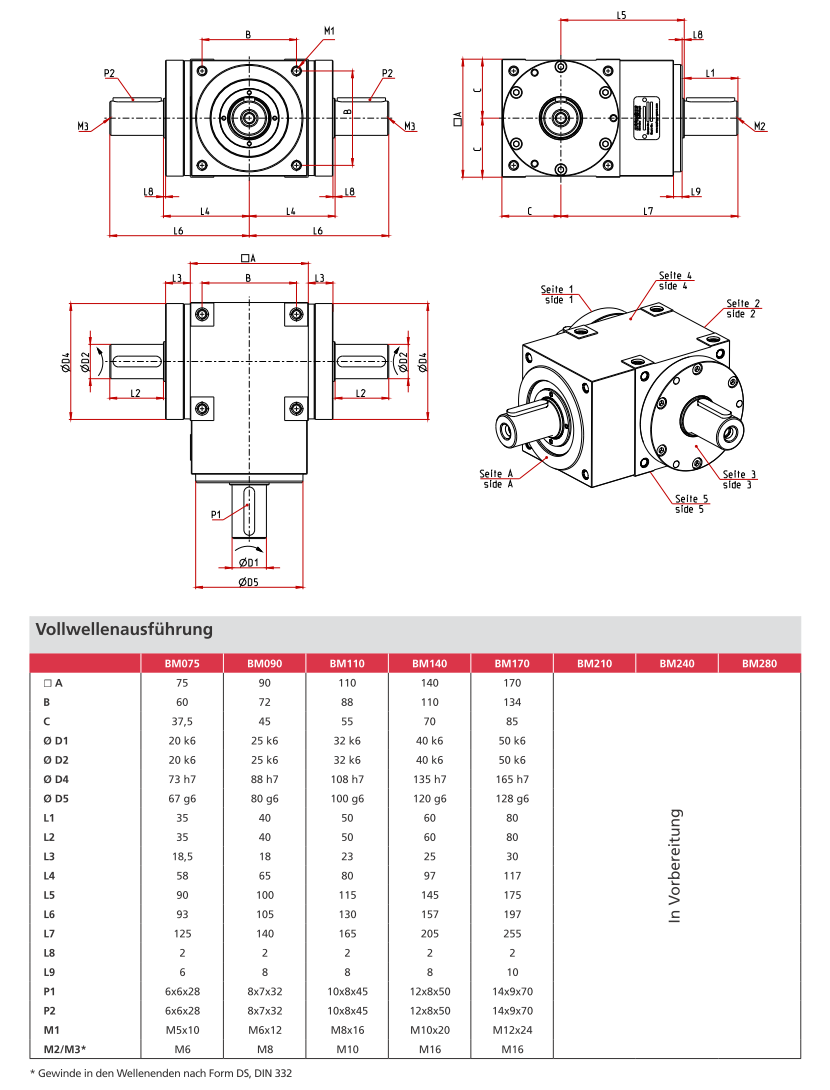
Abmessungen

Vollwellenausführung

Hohlwellenausführung

Downloads